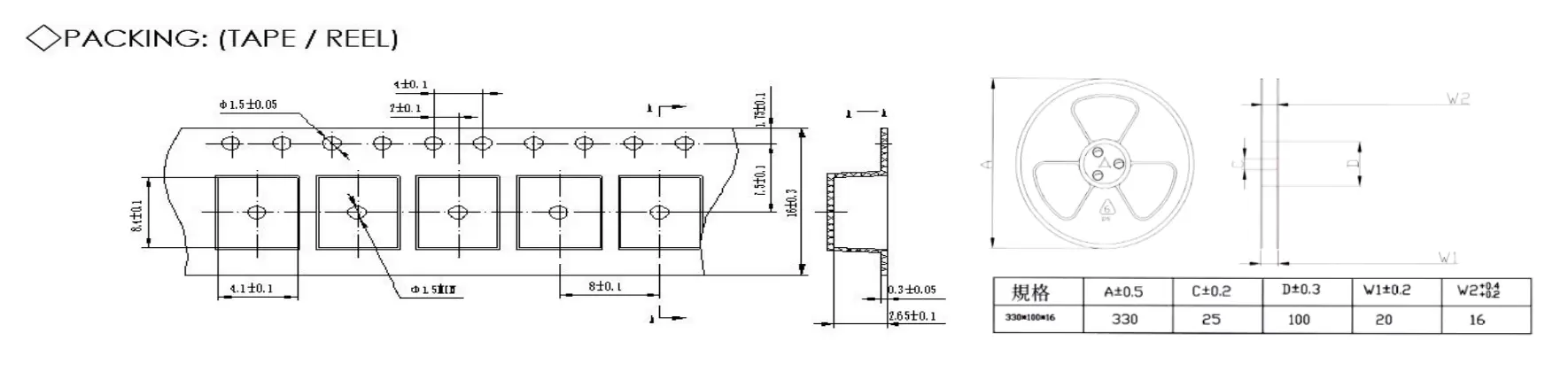
CRISTAL LIGNE SMD GAMME KHz
TF3.2x1.5
| ltem | Série | 8038 | |
| Type de sortie | Fondamental | ||
| Fréquence Renge(F0) | 32,768 kHz | 20 kHz ~ 120 kHz | |
| Stabilité de fréquence | +/-20 ppm +/-50 ppm | +/-50 ppm +/-100 ppm | |
| Plage de température de fonctionnement (TOPR) | -40℃~+85℃, -40℃~+125°C ou préciser | ||
| Plage de température de stockage (TSTG) | -55 °C à +125 °C | ||
| Niveau de conduite (DL) | typique 0,1 µW, 1 µW max | ||
| Température de retournement (Ti) | 25℃±5℃ | ||
| Coefficient parabolique (B) | -0,04*10⁻⁶/℃² max | ||
| capacité de charge (CL) | 7 pF, 9 pF, 12,5 pF ou précisez | ||
| Résistance au mouvement (ESR) | 50 kΩ max. | ||
| Capacité dynamique (C1) | 1,8 fF Typ. | 4,0 fF ~ 0,6 fF | |
| capacité de shunt (C0) | 0,9 pF Typ | 2,0 pF ~ 0,6 pF | |
| Vieillissement de la fréquence (Première année) | 3x10-6/an Max. | 5x10-6/an Max. | |
| En plus des paramètres énumérés dans le tableau, il peut être conçu en fonction des besoins du client. | |||

*
*
*