UNITÉ EN CRISTAL DE QUARTZ
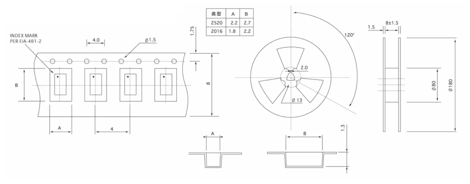
SMD6.0x3.5
| TAPER | SMD2,5x2,0 |
| Gamme de fréquences | 12 MHz ~ 96 MHz |
| Cristal taillé et mode | AT/FONDS |
| Tolérance de fréquence (à 25 °C) | ±5 ppm à ±20 ppm, ou préciser |
| Caractéristiques de fréquence et de température | ±10 ppm (-20℃-70℃) ; ±30 ppm (-40 °C à 85 °C) ou préciser |
| Plage de températures de fonctionnement | -40℃~+125℃ |
| Plage de durée de conservation | -55℃~+125℃ |
| Résistance série équivalente (ESR) | Voir le tableau |
| Capacité de charge (CL) | 5pf~∞ |
| Capacité shunt (Co) | <3pf |
| Résistance d'isolement | >500 MΩ à 200 V CC |
| Niveau de conduite | 10 μW ~ 200 μW |
| Âge (année) | ±1 ppm (an), ±3 ppm (an) |
| Fréquence (MHz) | Mode | ESR (Ω) SMD 2,5 x 2,0 |
| 12 000 ≤ f < 20 000 | AT/FONDS | ≤80 |
| 20 000 ≤ f < 30 000 | AT/FONDS | ≤ 45 |
| 30 000 ≤ f < 54 000 | AT/FONDS | ≤ 30 |
| En plus des paramètres énumérés dans le tableau, il peut être conçu en fonction des besoins du client. | ||

*
*
*