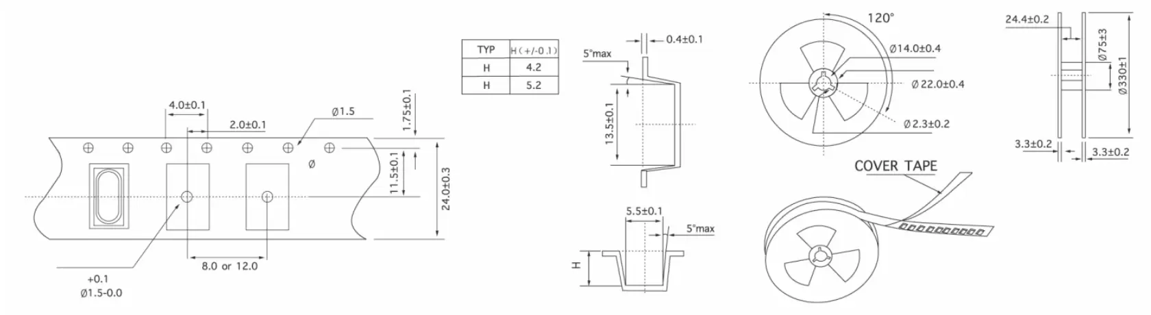
UNITÉ EN CRISTAL DE QUARTZ
HC-49S/4PD
| TAPER | HC-49S/2PD |
| Gamme de fréquences | 3,5 MHz à 125 MHz |
| Cristal taillé | AT;BT |
| Tolérance de fréquence (à 25 °C) | ±5 ppm à ±30 ppm |
| Caractéristiques de fréquence et de température | "AT : ±2,5 ppm (0℃-50℃) ; +5 ppm (-10℃-60℃) ; +10 ppm (-20℃-70℃) ; +30 ppm (-40℃-85℃)"BT : ±100 ppm (-20℃-70℃) ; |
| Plage de durée de conservation | -40℃~+85℃ |
| Résistance série équivalente (ESR) | Voir le tableau |
| Capacité de charge (CL) | 4pf~∞ |
| Capacité shunt (Co) | <5pf |
| Résistance d'isolement | >500 m² à 100 V CC |
| Niveau de conduite | 1 μW ~ 100 μW |
| Âge (année) | ±3 ppm (année) |
| Fréquence (MHz) | Mode | ESR(Ω) |
| 3,500 ≤ f < 4,000 | AT/FONDS | 150~100 |
| 4,000 ≤ f < 6,000 | AT/FONDS | 100~60 |
| 6 000 ≤ f < 10 000 | AT/FONDS | 60~50 |
| 10 000 ≤ f < 15 000 | AT/FONDS | 50~30 |
| 15 000 ≤ f < 35 000 | AT/FONDS | ≤ 25 |
| 21 000 ≤ f < 40 000 | BT/FONDS | ≤ 40 |
| 25 000 ≤ f < 100 000 | 3e harmonique | 80~60 |
| En plus des paramètres énumérés dans le tableau, il peut être conçu en fonction des besoins du client. | ||

*
*
*